Ime: CALEFFI S.p.a.
Naslov: S.R. 229, n. 25, 28010 Fontaneto d'Agogna (NO) Italy
E-pošta: info@caleffi.com
Spletna stran: https://www.caleffi.com/de-de
Evropski proizvajalec: Da
Odprto pon-čet od 7. do 17. ure; Pet 7.00-16.00; Sob 9h-12h
Medeninasti krmilnik tlaka z manometrom za ogrevalni sistemi kotla za dodatke je na zalogi in bo poslano takoj, ko bo ponovno na voljo
Čas obdelave je običajno 1 delovni dan. Dostava paketov traja 1–3 delovne dni. Za špedicijo dostava traja 3–5 delovnih dni. Dobavni roki zunaj Nemčije se razlikujejo.
MPN: 302631
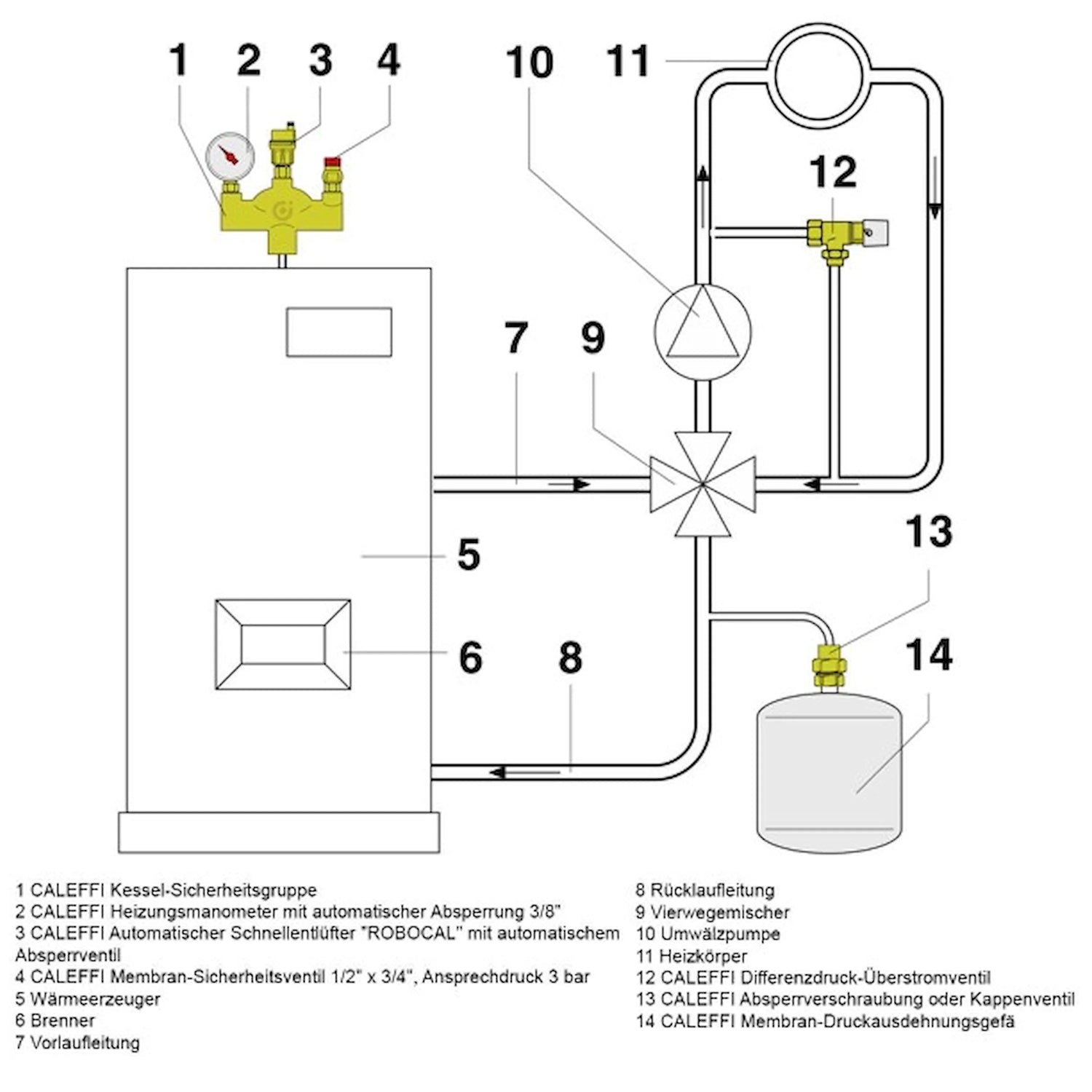
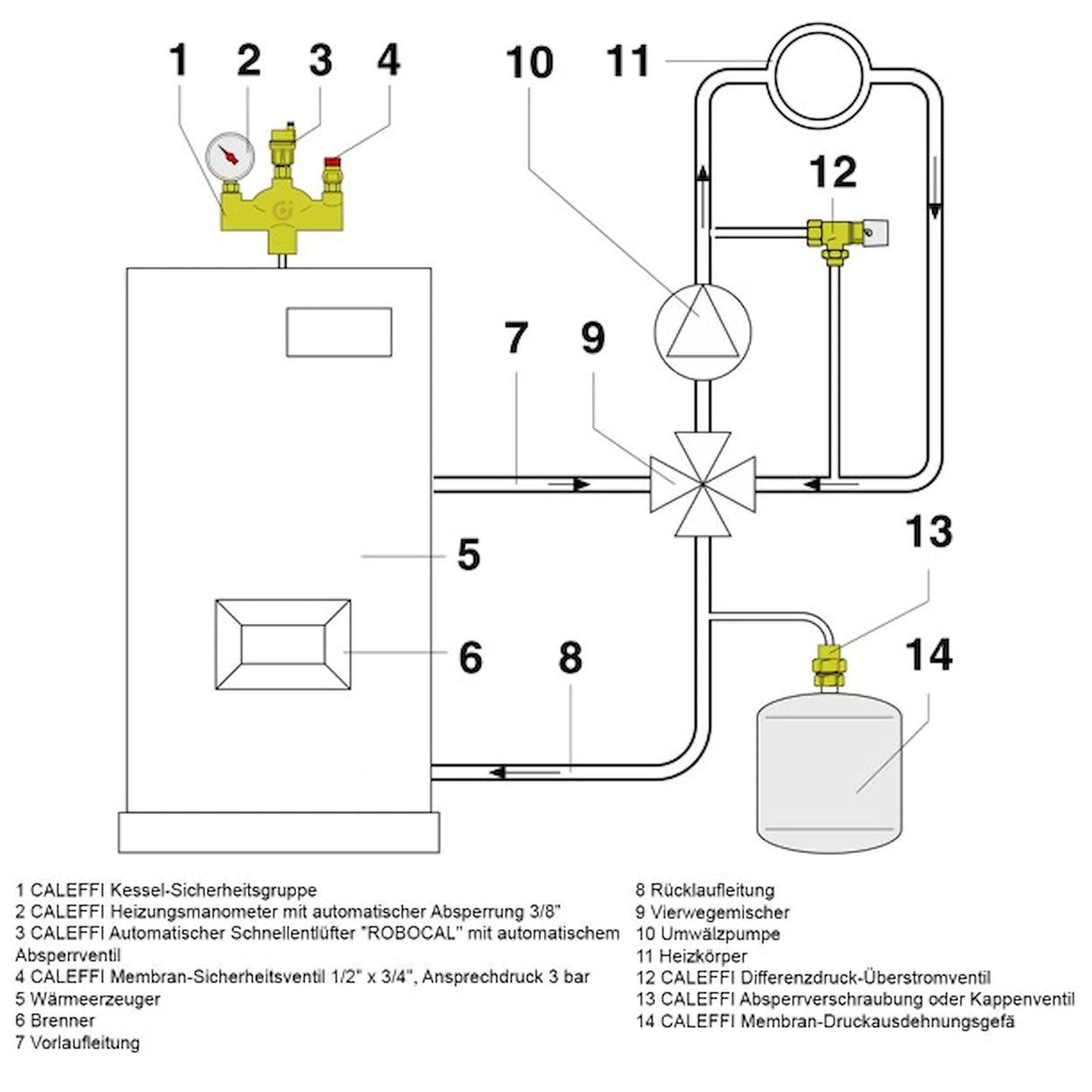
Področja uporabe
Za zaprte ogrevalne sisteme po DIN 4751 do zmogljivosti 50 kW ali 45.000 kcal/h
varnostni ventil 1" za kotle - 3 bare
Opremljen s hitrim odzračevanjem, varnostnim ventilom in manometrom.
Konzola iz masivne lite medenine MS58.
Zaradi posebne oblike se majhni zračni mehurčki, ki jih vsebuje ogrevalna voda, prisilno usmerijo v avtomatski hitri odzračevalnik Caleffi.
Spodnja povezava z 1" Notranji navoj za priključno cev do generatorja toplote.
Predhodno oblikovana polistirenska lupina v skladu z DIN 4102-A1 kot izolacija.
Obseg dobave:
Varnostna skupina, ki jo sestavljajo:
Manometer ogrevanja 3/8", Ø 63 mm, z zeleno zastavico in rdečim kazalcem nastavitve, kovinsko ohišje. Samodejni zaporni ventil 3/8" x 1/4" omogoča enostavno zamenjavo brez praznjenja sistema.
CALEFFI "ROBOCAL" avtomatski odzračevalnik z avtomatskim zapornim ventilom; medeninasta konstrukcija; visokokakovosten plastični plovec; zanesljiv ventil. Priključek 3/8" z O-tesnilnim obročem.
CALEFFI membranski varnostni ventil 1/2" x3/4", preizkušene komponente; kompaktna medeninasta zasnova; nastavljeni tlak 3 bare za moč do 50 kW ali 45.000 kcal/h.
Možnosti plačila
Vaši podatki o plačilu so varno obdelani. Podatkov o vaši kreditni kartici ne shranjujemo in do njih ne dostopamo.