Welcome to the GEMA Shop – your expert for heating, solar, and plumbing technology since 1991. We provide personal consultation and offer technical solutions.
  • fast shipping

  • Free help and advice

  • Open 7 days a week

+49 (0)39262 8787 - 20/21/23/12 *** sales@gema-net.de *** WhatsApp. +49(0)17660429928

Caleffi  |  SKU: KSG1

Boiler safety group 1" Caleffi with pressure regulator for heating systems

Normal price 38,49 €
vAT included. Shipment will be charged at checkout.


Name: CALEFFI S.p.a.

Address: S.R. 229, n. 25, 28010 Fontaneto d'Agogna (NO) Italy

Email: info@caleffi.com

Website: https://www.caleffi.com/de-de

European Manufacturer: Yes

Keine technischen Highlights gefunden.

Description

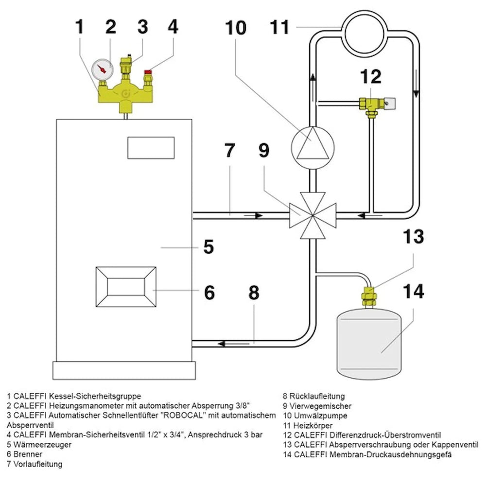
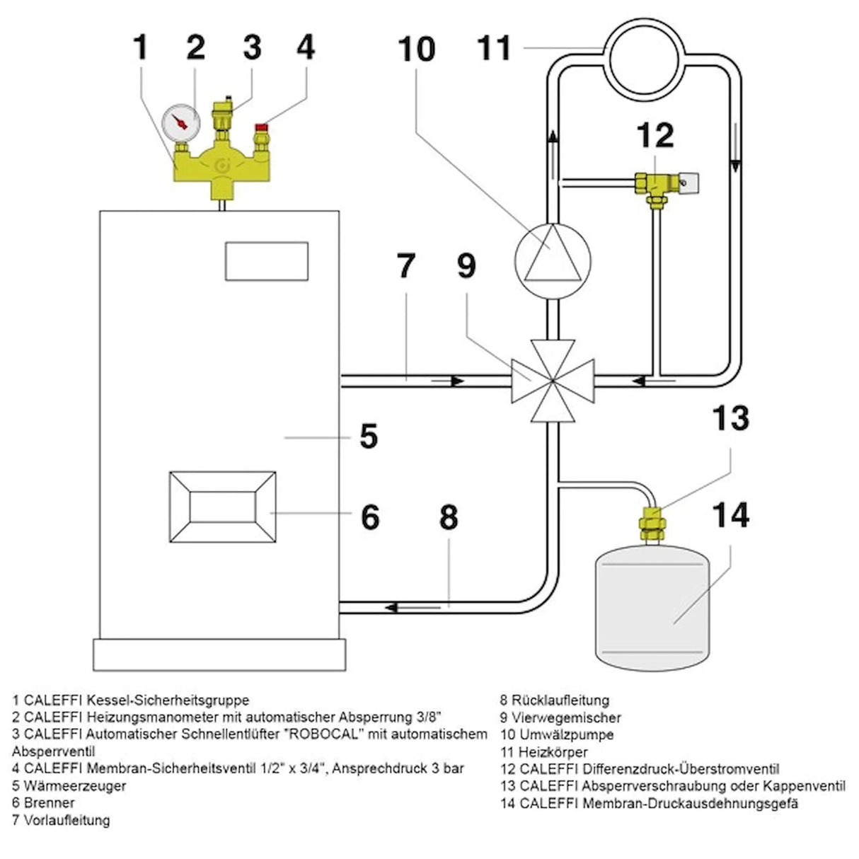
Boiler safety group 1" Caleffi

MPN: 302631

Areas of application

For closed heating systems according to DIN 4751 up to a power output of 50 kW or 45,000 kcal/h

Safety valve 1" for boilers - 3 bar

Complete with quick-release vent, safety valve and pressure gauge.

Console made of solid red brass MS58.
Due to its special shape, the small air bubbles contained in the heating water are forced to the automatic Caleffi air vent.

Lower connection with 1" Internal thread for connecting cable to the heat generator.

Pre-formed polystyrene shell according to DIN 4102-A1 as insulation.

Scope of delivery:

  • Caleffi Boiler Safety Group 1"
  • Insulation for boiler group
  • Pressure gauge for boiler group
  • Safety valve for boiler group

Technical data: Boiler safety group

  • Connection internal thread 1"
  • Heating manometer ¼"
  • Automatic shut-off valve 3/8"
  • Maximum operating temperature: 110°C
  • 3 bar safety valve
  • Polystyrene shell insulation DIN 4102-A1
  • Usable up to 50kW
  • Dimensions 19.4x17.6x7.2cm

Security group consisting of:

Heating manometer 3/8", Ø 63 mm, with green flag and red pointer, metal housing. The automatic shut-off valve 3/8" x 1/4" allows for easy replacement without emptying the system.

Automatic CALEFFI quick air vent "ROBOCAL" with automatic shut-off valve; brass construction; float made of high-quality plastic, reliable valve. Connection 3/8" with O-ring seal.

CALEFFI membrane safety valve 1/2" x 3/4", Component tested; compact brass design; response pressure 3 bar for output up to 50 kW or 45,000 kcal/h.

payment & Security

Payment options

  • American Express
  • Apple Pay
  • Bancontact
  • BLIK
  • EPS
  • Google Pay
  • iDEAL Wero
  • Klarna
  • Maestro
  • Mastercard
  • MobilePay
  • PayPal
  • Przelewy24
  • Shop Pay
  • Union Pay
  • Visa

Your payment information is processed securely. We do not store or access your credit card information.

Contact us