Telefon +49(0)39262 878720

E-post: gemashop@gema-net.de

WhatsApp: +49(0)17660429928

  • kiire saatmine

  • Tasuta abi ja nõu

  • Probleemideta tagastamine

  • Avatud 7 päeva nädalas

Anhaltinerring 17, 39439 Güsten

Avatud E-N 7.00-17.00; P 7.00–16.00; laupäev 9-12

Gema GmbH  |  SKU: MDC230+EEHP15

Jalajälg MDC 230 pluss 1,5 kW kütteelement

Name: Gema GmbH

Adresse: Anhaltinerring 17, 39439 Güsten, Deutschland

E-Mail: verkauf@gema-net.de

Webseite: https://gemashop.de

Europäischer Hersteller: Ja

Tavaline hind 221,66 €
sisaldab käibemaksu. Saadetis võetakse tasu kassas.


Kohaletoimetamine ja saatmine

Töötlemisaeg on tavaliselt 1 tööpäev. Pakkide kohaletoimetamine on 1-3 tööpäeva. Kaubaveo puhul on tarneaeg 3-5 tööpäeva. Väljaspool Saksamaad on tarneajad erinevad.

Descrição

Järelkütte moodul/kiirveesoojendi MDC 230 pluss 1,5 kW küttekeha – ​​tõhus soojustugi ja usaldusväärne lisaküttelahendus

Toote ülevaade

Täispakett ühendab endas mitmekülgse MDC 230 järelküttemooduli võimsa 1,5 kW küttepadruniga. See sobib ideaalselt olemasolevate küttesüsteemide paindlikuks täienduseks ja annab vajadusel usaldusväärselt lisasoojust.

Kiire paigalduse, väikese ruumivajaduse ja vastupidava konstruktsiooniga sobib see süsteem ideaalselt kasutamiseks uutes hoonetes, moderniseerimisel ja peamise kütteallika lühiajaliste rikete korral.

Kasutusalad ja rakendusalad

MDC 230 lisakütte moodul integreerub sujuvalt avatud ja suletud küttekontuuridesse ning seda saab kasutada nii pideva varuküttena kui ka avariiküttena. See aitab tõhusalt kasutada üleliigset energiat, näiteks fotogalvaanilistest süsteemidest, küttevajaduse rahuldamiseks.

Ideaalne süsteem nädalavahetuse ja suvilatesse kasutamiseks, tagades pideva soojusvarustuse isegi katelde, kondensatsioonkatelde või soojuspumpade hoolduse või rikete korral.

Tehnilised omadused ja seadmed

Moodulil on isoleeritud korpus, mis on valmistatud toorterasest ja millel on kaitsev, pulbervärvitud hall väliskest. 50 mm paksune polüuretaanvahust isolatsioon tagab seadme tõhusa töö ja pikaealisuse.

Varustatud 1 1/2" Kütteelemendi sisekeermega ühendus pakub paindlikke kasutusvõimalusi, maksimaalne töötemperatuur 90 °C ja töörõhk kuni 10 baari tagavad ohutu kasutamise.

Jõudlusvariandid ja minimaalne vooluhulk

Täiskomplekti küttekassett on saadaval erinevates võimsusklassides, mis on spetsiaalselt loodud võimsustele 1,5 kW, 2,0 kW, 3,0 kW pingel 230 V ning 4,5 kW, 6,0 kW ja 9,0 kW pingel 400 V. Need variandid võimaldavad optimaalset kohandamist küttesüsteemi individuaalsete energiavajadustega.

Minimaalsed voolukiirused – 86 l/h 1,5 kW puhul, 114 l/h 2,0 kW puhul, 171 l/h 3,0 kW puhul, 257 l/h 4,5 kW puhul, 343 l/h 6,0 kW puhul ja 514 l/h 9,0 kW puhul – tagavad tõhusa soojusülekande ja sujuva töö isegi erineva soojusvajaduse korral.

Eelised ja lisaväärtus

Madalate soetuskulude ja lihtsa paigaldusega pakub süsteem märkimisväärset lisaväärtust. Selle kompaktne disain ja vastupidav konstruktsioon muudavad selle eriti atraktiivseks kitsastes paigaldusruumides ja kiireks kasutuselevõtuks.

Olgu tegemist taastuvenergia süsteemide täiendusena või usaldusväärse avariilahendusena, parandab tervikpakett energiatõhusust ja suurendab jätkusuutlikult elumugavust.

Küttekassett – tõhus lisaküte sooja vee ja kütte jaoks

3 kW küttekassett on spetsiaalselt loodud kasutamiseks tarbevee ja joogivee mahutites. See tagab täpse temperatuuri reguleerimise ja seega ühtlase soojusvarustuse nii elamu- kui ka ärihoonetes.

Tänu kvaliteetsele roostevabast terasest ja vastupidavast plastist valmistatud tööle on küttekassett mitte ainult vastupidav, vaid ka korrosioonikindel ja kõrgetele temperatuuridele vastupidav.

Kvaliteetsed materjalid ja ohutus

Roostevabast terasest konstruktsioon ja Alloy 825 küttespiraali kasutamine tagavad kõrgeima materjalikvaliteedi. Valge plastkorpus rõhutab samuti toote atraktiivset välimust.

Integreeritud termostaadikorpus võimaldab täpset temperatuuri reguleerimist vahemikus 5–75 °C, samas kui ohutustemperatuuri piiraja 93 °C juures pakub täiendavat kaitset ülekuumenemise eest.

Lihtne paigaldus ja usaldusväärne kaitse

Küttekasseti lihtne integreerimine olemasolevatesse mahutitesse on võimalik tänu 1 1/2" Toetatud on väliskeermega ühendus ja kompaktne 300 mm paigalduspikkus. 1,5 meetri pikkune ühenduskaabel võimaldab ka lihtsat toiteallikat.

Lisaks vastavad mõlemad komponendid asjakohastele ohutusstandarditele: järelküttemoodulil on IP44 kaitseklass, samas kui küttekassett on IPX4 kohaselt pritsmekindel. Maksimaalse töörõhuga 10 baari sobivad mõlemad lahendused ideaalselt nõudlikeks töödeks.

Kokkuvõte: kõrgeima kvaliteediga tõhus küte

Täispakett, mis koosneb MDC230 järelküttemoodulist ja 1,5 kW küttekassetist, ühendab endas mitmekülgsed rakendusvõimalused moodsa tehnoloogia ja kasutusmugavusega. See pakub paindlikke küttelahendusi laia valiku rakenduste jaoks ja garanteerib usaldusväärse toe just siis, kui see on kõige olulisem.

Kvaliteetsete materjalide, energiatõhusa töö ja lihtsa paigaldusega on see süsteem ideaalne lahendus olemasolevate küttesüsteemide mugavuse ja funktsionaalsuse jätkusuutlikuks optimeerimiseks.

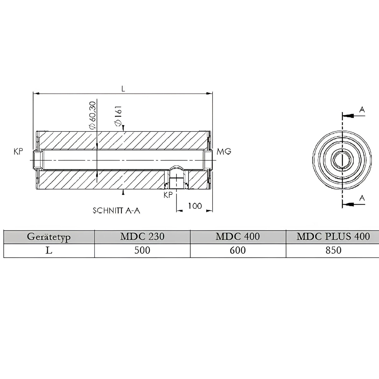
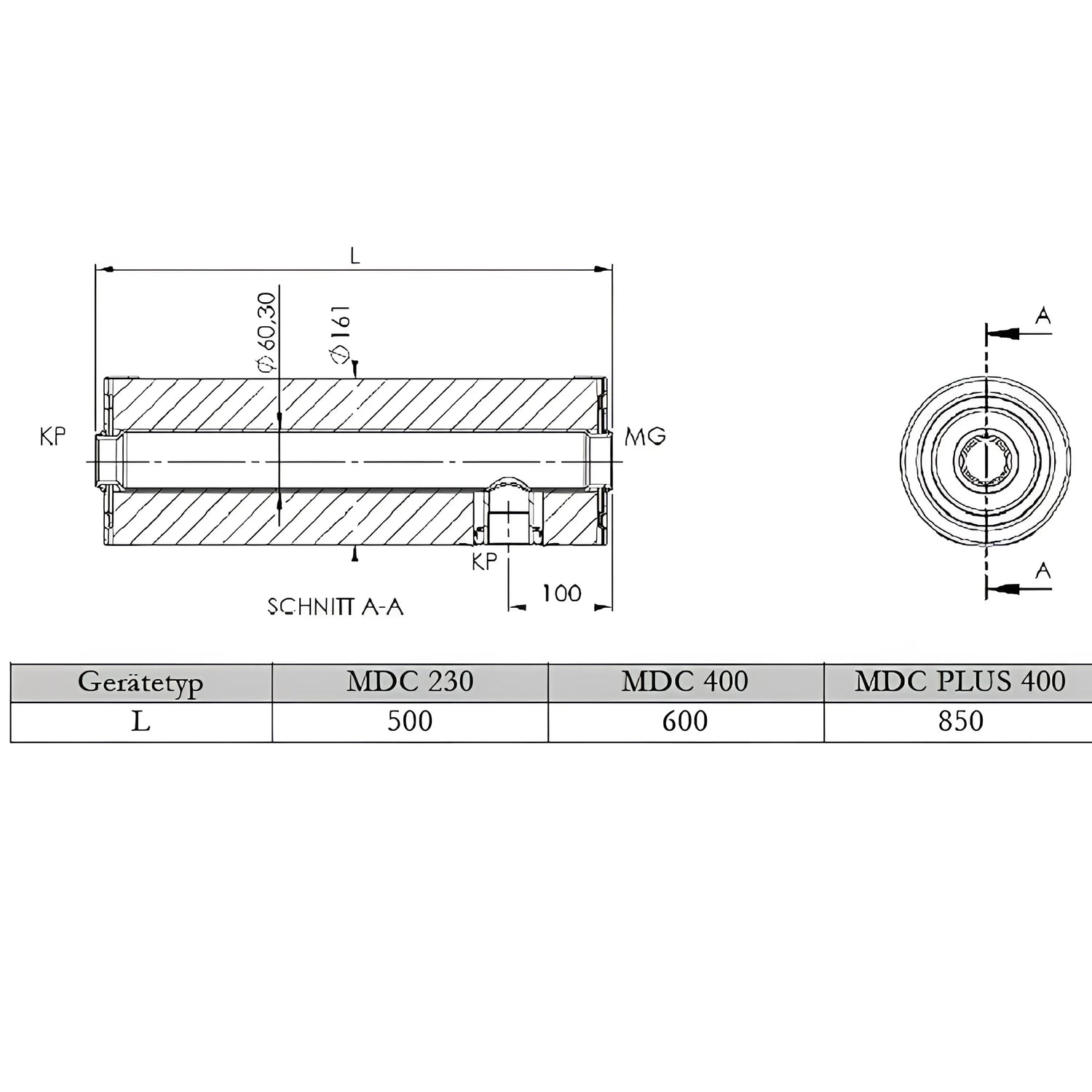
MDC mooduli tehnilised andmed

  • Peale- ja tagasivooluühendus: 1 1/4" IG
  • Kütteelemendi ühendus: 1 1/2" IG
  • Maksimaalne lubatud töötemperatuur: 90 °C
  • Maksimaalne lubatud töörõhk: 10 baari
  • Korpuse materjal: seest töötlemata teras, väljast pulbervärvitud
  • Korpuse isolatsioon: 50 mm polüuretaanvaht
  • Väliskest: plastik, värvus: hall
  • Minimaalne vooluhulk: 1,5 kW/86 l/h
  • MDC230 moodulile sobivad kütteelemendid: 1,5 kW | 2,0 kW | 3,0 kW (230 V)
  • MDC mooduli siseläbimõõt: 60 mm
  • MDC230 mõõtmed (läbimõõt x pikkus): 161 mm x 500 mm

Küttekasseti tehnilised andmed

  • Küttevõimsus: 1,5 kW
  • Temperatuuri reguleerimine: 5–75 °C
  • Sisselülitushüsterees: 7–10 °C
  • Paigalduspikkus: 300 mm
  • Kütteta pikkus: 70 mm
  • Ohutustemperatuuri piiraja: 93°C
  • Ühendus: 1 1/2" väliskeere
  • Kaitseklass: IPX4
  • Maksimaalne töörõhk: 10 baari
  • Väliskesta materjal: plastik, valge
  • Küttespiraali materjal: sulam 825
  • Toide: ühefaasiline 230 V/16 A
  • Kaabli pikkus: 1,5 meetrit koos pistikuga

Tarnekomplekt

  • MDC 230 moodul
  • Küttekeha 1,5 kW
  • Assamblee &Kasutusjuhend

Laadi alla

makse & Turvalisus

Maksevõimalused

  • American Express
  • Apple Pay
  • Bancontact
  • BLIK
  • EPS
  • Google Pay
  • iDEAL
  • Klarna
  • Maestro
  • Mastercard
  • MobilePay
  • PayPal
  • Przelewy24
  • Shop Pay
  • Union Pay
  • Visa

Teie makseteavet töödeldakse turvaliselt. Me ei salvesta ega pääse teie krediitkaardi andmetele ligi.

Võtke meiega ühendust

5
reviews
See all reviews